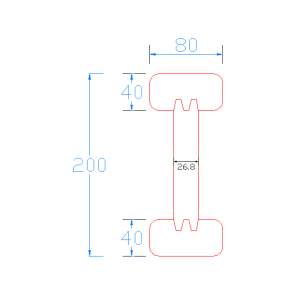
ASCEND H-20 beam are the strongest and lightest formwork beam. The beam is robust made high quality graded massive finger jointed timber , webs made with a 3 ply laminated wood panels and optional protective cap that prevents the beam to be exposed to premature chipping on the chord ends. ASCEND H-20 beam assure sustainability and durability in all climate zone. The beam ends are rounded off to offer ideal protection against damage. Ascend H-20 beams are being treated with a specially developed synthetic resin, which enters the face timber and constitutes a flexible water repellent protective layer .Therewith formation of crack and absorption of water are avoided and durability is enhanced ASCEND H-20 beam in accordance to (BS EN 13353, BS EN 13377)
Sheer force (Q): 11.0 kN
Bending Moment (M): 5.0 kN
Section Modulus (Sx): 461 cm³
Moment of inertia (Ix): 4613 cm⁴
Elasticity Modulus (E): 10,000 N/mm²
Shearing Modulus (G): 600 N/mm²
Weight (kg): 4.40/m
CBM: 0.016 m³/m
ASC CODE: ASC-H20TB-01
ASCEND ACCESS GLOBAL SCAFFOLDING COMPANY MODON , INDUSTRIAL AREA 3 JEDDAH-KSA
Ascend Access System Scaffolding LLC. PO. Box: 182519, nad Al Hamar, Dubai - U.AE.
© Copyright by Ascend Steels, All Rights Reserved.